技術電話:17301986536加盟電話:13689528587

柱式傳感器MK604
產品名稱:MK604 柱式稱重傳感器
產品特點:MK604 柱式稱重傳感器為全密封結構,采用氬弧焊接,防水、防塵能力達到IP68等級要求。承載方式為上球頭壓式,動態反應快,防過載能力強,安裝容易,使用方便。
產品用途:MK604 柱式稱重傳感器適用于制造電子汽車衡、動態軌道衡、大噸位料斗秤等衡器。
量程:50kN(5t)、100kN(10t)、300kN(30t)、600kN(60t)、1000kN(100t)、2000kN(200t)、3000kN(300t)、5000kN(500t) 、8000kN(800t)、10000 kN(1000t)
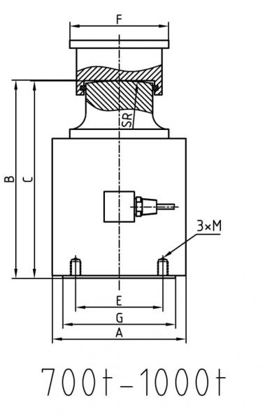
技術參數及外形尺寸:
序號 | 產品技術參數 | |
1 | 額定載荷 | 5-1000t |
2 | 綜合精度 | 0.02;0.05 |
3 | 靈敏度 | 1.5-2.0mV/V |
4 | 零點輸出 | ±1%F.S |
5 | 輸入阻抗 | 450±20Ω |
6 | 輸出阻抗 | 480±3Ω |
7 | 絕緣阻抗 | ≥5000MΩ |
8 | 補償溫度范圍 | -10~50℃ |
9 | 適用溫度范圍 | -20~60℃ |
10 | 安全過載 | 120%F.S |
11 | 材質 | 合金鋼 |
12 | 激勵電壓 | 10V(DC) |
13 | 接線方式 | 紅……E+(輸入正) 黑……E-(輸入負) 綠……S+(輸出正) 白……S-(輸出負) |


型號 | 量程(kN) | 量程(t) | A | B | C | E | F | G | H | SR | Minch | Mmm | MDP |
| MK604 | 50-200 | 5-20 | 75 | 83 | 32.5 | 64 | 10 | 31.8 | 62 | 125 | 1/2-20 | M12×1.75 | 13 |
300-600 | 30-60 | 100.6 | 127 | 54.6 | 86 | 14 | 59 | 88.6 | 152 | 3/4-16 | M18×1.5 | 18 | |
900-2000 | 90-200 | 150.6 | 184.5 | 92 | 108 | 26 | 80 | 134.4 | 400 | 3/4-16 | M20×1.5 | 25 | |
3000 | 300 | 164 | 229 | 92 | 108 | 26 | 93.7 | 148 | 400 | 3/4-16 | M20×1.5 | 25 | |
5000 | 500 | 177 | 304.8 | 117 | 115 | 26 | 139.7 | 165.1 | 1143 | 3/4-16 | M20×1.5 | 32 | |
8000 | 800 | 230 | 410 | 340 | 150 | 170 | 194 | / | 1000 | / | M18 | / | |
10000 | 1000 | 280 | 460 | 380 | 165 | 188 | 220 | / | 1000 | / | M20 | / |
密克傳感器(深圳)有限公司是傳感器源頭生產廠家,致力于測力傳感器的研發生產。產品達百余種,廣泛應用于各種工業自動化、機器人、化工、食品、冶金以及醫療等新型和智能化高端領域。按結構分有輪輻式傳感器,S型傳感器,波紋管傳感器,法蘭盤傳感器,柱式傳感器,扭矩傳感器,平行梁傳感器,拉力傳感器等等,按功能應用場景分有試驗機專用傳感器,攪拌站傳感器,稱重傳感器,包裝機傳感器,壓裝機傳感器,價格美麗,可定制。
密克斯生產的MK604 柱式稱重傳感器適用于制造電子汽車衡、動態軌道衡、大噸位料斗秤等衡器。
